ミニパワ−1200MHz・2Wアンプの製作記


1200MHz・FMATV−TXを製作した時に使用した1200MHzパワ−アンプについて書きます。

1200MHz・FMATV−TXはマキ電機のユニットを使い製作しましたが出力が30mWですので、 パワ−アンプを作り出力をアップする事にしました。
小電力用のパワ−アンプとしては1200MHzハンディ−機用のパワ−モジュ−ルが使えるのですが、 最近は入手も困難でそれに価格も高いので無銭家の私としては、なるべく安価に、それになるべく小型に なるように考えて製作しました。

アンプ部には900MHz帯用のジャンクモジュ−ル基板を使用しました。(富士通 FMC080802 小沢電気で入手)
このモジュ−ル基板には5GHz帯まで使用できるGaAs FETが使われている物で、1200MHz帯 ではかなりの利得が望めそうです。

モジュ−ル基板はそのままでは使えませんので、一部のストリップラインとチップコンデサ−を変更して使用 します。

製作時間はモジュ−ル基板の変更と基板の製作とハンダ付けを含めて約2時間で出来上がりました。

製作費用はすべてのパ−ツ込みで約2000円で作れると思います。
私が購入したパ−ツは(秋葉原にて)
FMC080802 基板650円B タイプ
ICL7660600円DIP タイプ
チップコン 各種200円100 個位
ケミコン、タンタル等100円10 個位
チップ抵抗 各種100円100 個位
78L05100円5 個

おおよそ以上です。

以前に購入した物もありますが、現在でもこの位の価格で入手可能です。

パ−ツリスト
品名品番規格数量
P A 基 板FMC080802-1個
DC−DCコンバ−タ−ICL7660-1個
レギュレ−タ−78L05-1個
チップコン0・001μF25V8個
チップコン100P25V2個
チップコン10P25V1個
チップタンタル(ケミコン)10μF16V4個
チップ抵抗1KΩ0・1W1個
ギガトリマー2P-1個
セメント抵抗0・2Ω3W1個
LM350Tキット秋月電気-1セット
パワ−モジュ−ル用基板秋月電気-1枚

製 作 方 法
まずジャンクのPA基板を改造します。
ストリップラインの変更、チップコンの追加をします。

ジャンク基盤


(詳しくはマイクロ ウエ−ブ レポ−ト No3の58ペ−ジ、時藤氏の記事を参照下さい)

秋月のパワ−モジュ−ル用基板を半分に切り離します。
(小型化する必要のない方はそのままで使用)
PA基板の足の位置が違うので、位置合わせをしながらランドを作ります。
入力、出力部分はランドの幅を3mm位にします。
ATTが必要であれば、入力側にランドを作っておきましょう。
その他の部分のランドも作ります。

ランド作りには彫刻刀の角型を使うと楽です。

PA基板の足を5mm残して切ります。
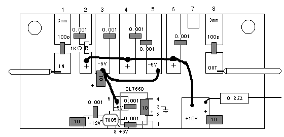
PA基板FMC080802の足は
1:入力
2:+10V(1KΩの抵抗を入れる)
3:−5V
4:+10V
5:−5V
6:+10V 7:使用しない
8:出力

の配列になってます。

加工した基板に、PA基板、チップコン、の順に小さい物からハンダ付けします。

PA基板の2、3、4、5、6番、とアース間、78L05の1、3番、(入出力)と アース間、ICL7660の5番とアース間に0・001μFのコンデンサーをハンダ付けします。
PA基板の1、8番入出力間に100pFのコンデンサーをハンダ付けします。
+10V入力の二個所のランドに10μFのタンタルコンをICL7660の 2、4番の足を反対側に曲げてICの上にタンタルコンを乗せてハンダ付けします。
6、7番の足は必要が無いので切ります。
タンタルコンは極性が有るので注意して下さい。(白マークが+です)
PA基板の2番間に1KΩの抵抗を付けます。
78L05の2番とICL7660の3番ピンをグランドにおとします。
ICL7660の1番ピンは未使用ですが、ICを固定するためのランドを作ると良いでしょう。
あとは各ICとジャンパーを付け入出力に同軸ケ−ブルを付けます。



秋月のLM350Tキットを作り、出力電圧を10Vに調整します。

キットの出力10Vを先ほど製作したパワ−アンプの電源にセメント抵抗を中継して接続します。
あとは各電源とア−スのラインを接続すれば完成です。


(+12V)−−(7805)−−(ICL7660・−5V)
      −−(PAのマイナス・バイアス)

(+12V)−−(LM350T・+10V)−−(スイッチ)
      −−(PAのプラス電源)
秋月の基板は片面基板なので、ア−スはしっかりとってください。

電源には安定した「10V、2A」位の直流電源が必要です。
私は当初、三端子レギュレ−タ−7809(9V、1A)を使用して実験したのですが、電流に余裕がなかった ので動作が不安定でした。
LM350Tを使用した電源キットは秋月電子製(600円)で3Aまで使用出来ます。

+10Vはドレイン電圧用でICL7660と78L05はゲ−トバイアスの−5V用です。

バイアス回路付近

このモジュ−ルにはGaAs FETを使用していますので、必ずゲ−トバイアス用の−5Vを先に加え た後にドレイン用の+10Vを加えてください。
これを守らないとモジュ−ルを一瞬に壊してしまいますのでご注意下さい。

FETを保護する為には−5V側は電源につないだままにして送信時に+10Vを加えると安全です。
回路上では−5V側に大きめのケミコンをだかせ、+10V側には0・2オ−ム、3Wのセメント抵抗 を入れています。

秋月電子の基板は片面基板なのでア−スを十分にとり裏面をケ−ス(ヒ−トシンク)に密着させないと、 動作が不安定になりますので注意して下さい。
本来は両面基板でスル−ホ−ルにするとよいので、技術力のある方はこちらをお勧めします。

放熱は厚手のアルミケ−スに入れたので、ヒ−トシンクを使わなくても大丈夫でした。
約20分間の連続送信テストをしましたが、安定して動作いる様でした。

あまり正確なデ−タではないのですが、性能は以下のようになりました。

  •  入力 30mmW(1280MHz F9)
  •  出力 約2W
  •  電圧 10V  電流 約1アンペア
  •  ゲ−トバイアス −5V
  •  サイズ 3cm*7cm (基板+モジュ−ル)
  •  利得 20db以上

思ったよりも小型に出来て、ちょうど100円ライタ−位の大きさに成りました。
これを使えば、たばこ箱サイズのパワ−アンプが出来るかも知れません。



このパワ−アンプはFMATV−TX以外にもC601等の小電力ハンディ−機にも利用できると思います。

具体的な製作方法、パ−ツの入手、リスト等がご必要でしたらメ−ルにてお問い合わせ下さい。
多少でしたらパ−ツを用意できます。

続 編

1200MHz・FMATV送信機をマキ電機さんへ持ち込み、各種測定して頂きました。

測定の結果は出力2Wで第一高調波が約−20bdでした。
槙岡さんに相談をした所、パワーモジュールの入力側にトリマーでスタブをもうけ、 出力リレーの所にトリマーをフィルターの代わりにして高調波を抑えました。
トリマーを使ってのフィルター(LC)は大変なのでバンドパスフィルターを使った 方が良いでしょう。
調整した結果は出力は1・7Wになり、高調波は−40db以下にする事ができました。

参考文献:マイクロウエ−ブ レポ−トVol.2、3